Début du XXe siècle
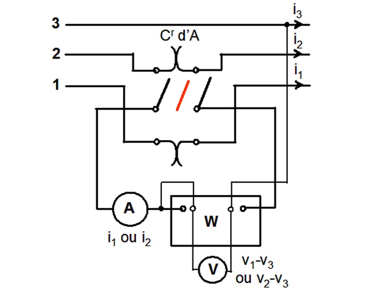
En triphasé, la puissance P est la moyenne de la puissance instantanée des trois phases p. p = v1i1 + v2i2 + v3i3avec v1, v2, v3 tensions entre les 3 fils de phase et le neutre, i1, i2, i3 courants dans les 3 fils de phase.Si la distribution est à 3 fils, de i1 + i2 + i3 = 0 on déduit p = v1i1 + v2i2 - v3 (i1 + i2) = (v1 –v3)i1 + (v2 – v3)i2La somme des valeurs moyennes de ces deux produits donne P, en régime sinusoïdal ou non, équilibré ou non : c’est la méthode des 2 wattmètres qu’on réalise d’ordinaire avec 1 seul wattmètre. D’où le schéma très classique du montage de mesure en triphasé trois fils du débit d’un générateur ou de la consommation d’un récepteur.Pour faire passer dans le wattmètre i1 puis i2 sans ouvrir le circuit on utilise un commutateur d’ampèremètre. Quand les couteaux de cuivre mobiles s’enfoncent dans les mâchoires du haut ou du bas, ce n’est que lorsqu’ils sont bien enfoncés que le couteau isolant ouvre le passage direct du courant.Le commutateur présenté est en cuivre rouge avec couteaux pare-étincelles. Il est monté sur une plaque de marbre gris bleuté de 14 x 24 x 2 cm. L’intensité commutable est de l’ordre de 20 A.
Inventaire : Et 1.67