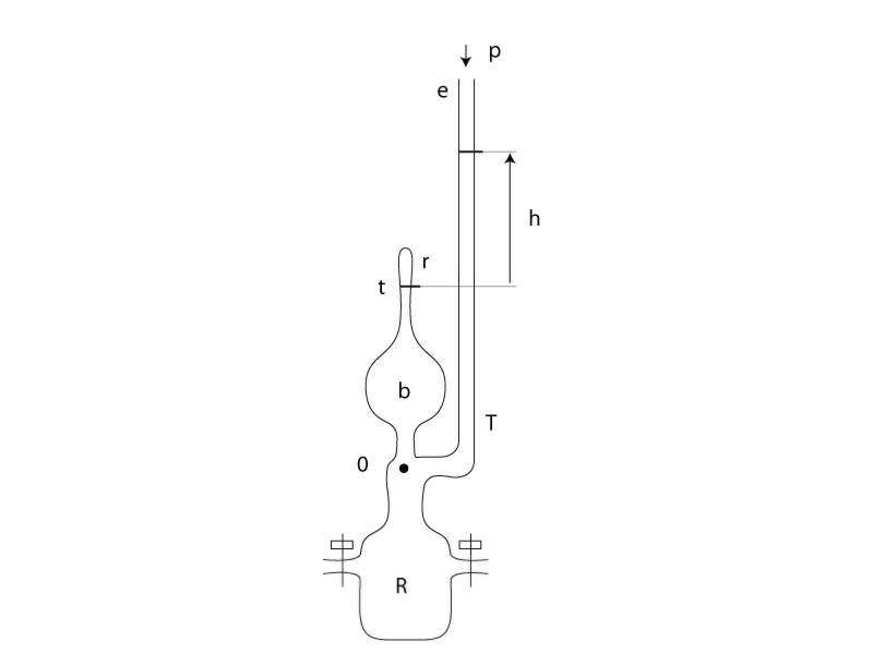
Leybold-Heraus 1960 La jauge de Mac Leod sert à mesurer les très basses pressions gazeuses (de 10 -3 à 10 -4 mm de Hg). Le niveau de mercure dans le réservoir R (voir schéma) étant bas, la pression à mesurer p est communiquée à tout l’appareil par l’extrémité e du tube T.On fait alors monter le niveau de mercure. Quand il arrive à l’embranchement O il emprisonne le volume V de gaz contenu dans le ballon b et le petit tube t.On continue à élever le niveau. Quand le mercure atteint le repère r on sait que le volume du gaz enfermé est passé de V à v beaucoup plus petit.La pression s’exerçant sur le gaz comprimé est mesurée par la différence des niveaux h du mercure dans les tubes T et t.D’où la pression p en mm de mercure p = h. v/V Les tubes T et t doivent avoir la même section pour que la lecture de h ne soit pas entachée par l’effet de la capillarité du mercure.Cette jauge de dimensions à la base 24,5 x 16,5 cm a une hauteur totale de 1m,04. Le ballon b est de forme piriforme.